
取消
清空記錄
歷史記錄
清空記錄
歷史記錄

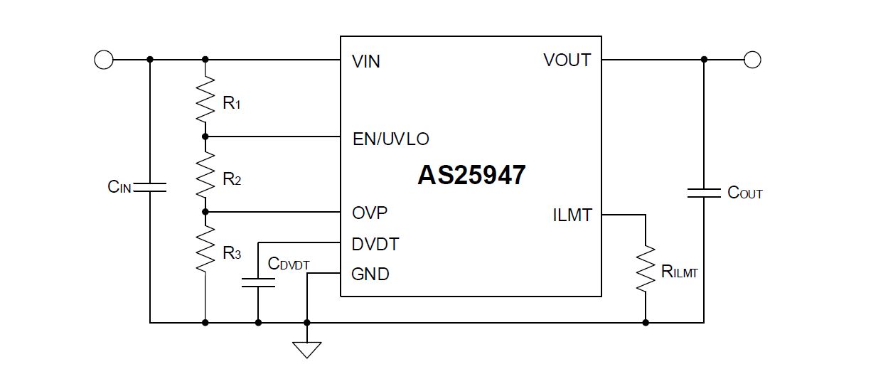
AS25947 4.5V-24輸入,電流1-5A,靜態電流100uA,電子保險絲(熔斷器)產品,防電流倒灌

AS25947系列電子保險絲是小封裝的高度集成電路保護和電源管理解決方案。該設備使用很少的外部組件,并提供多種保護模式。它們對過載、短路、電壓浪涌、過度涌流和反向電流有效。電流限制水平可以用外部電阻編程。內部電路將關閉內部場效應管以保護過電壓。具有特殊電壓斜坡要求的應用可以使用單個電容器來編程dVdT,以確保適當的輸出斜坡速率。
特點:
· 工作輸入電壓范圍VIN:4.5V~24V
· 集成28mΩ MOS場效應晶體管
· 1.34V過壓保護參考
· 1A至5A可調電流IILMT
· 可編程輸出轉換率,欠壓鎖定(UVLO)
· 內置熱關閉
· DFN3*3-10和ESOP-8封裝
應用:
· 適配器供電設備
· 硬盤驅動器(HDD)和固態硬盤驅動器(SSD)
· 機頂盒
· 服務器/輔助(AUX)電源
· 風扇控制,PCI/PCIe卡
電子保險絲(熔斷器)產品4.5V-24輸入,電流1-5A,靜態電流100UA,
ESOP-8
熱插拔設備

AS25947 4.5V-24輸入,電流1-5A,靜態電流100uA,電子保險絲(熔斷器)產品,防電流倒灌

AS25947系列電子保險絲是小封裝的高度集成電路保護和電源管理解決方案。該設備使用很少的外部組件,并提供多種保護模式。它們對過載、短路、電壓浪涌、過度涌流和反向電流有效。電流限制水平可以用外部電阻編程。內部電路將關閉內部場效應管以保護過電壓。具有特殊電壓斜坡要求的應用可以使用單個電容器來編程dVdT,以確保適當的輸出斜坡速率。
特點:
· 工作輸入電壓范圍VIN:4.5V~24V
· 集成28mΩ MOS場效應晶體管
· 1.34V過壓保護參考
· 1A至5A可調電流IILMT
· 可編程輸出轉換率,欠壓鎖定(UVLO)
· 內置熱關閉
· DFN3*3-10和ESOP-8封裝
應用:
· 適配器供電設備
· 硬盤驅動器(HDD)和固態硬盤驅動器(SSD)
· 機頂盒
· 服務器/輔助(AUX)電源
· 風扇控制,PCI/PCIe卡
