
取消
清空記錄
歷史記錄
清空記錄
歷史記錄

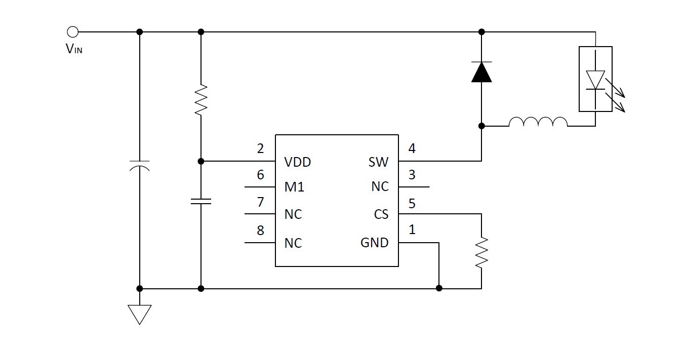
SE8651 4.5-100V 2.5A,內置MOS,頻率165Khz,全亮、半亮

SE8651 是一款 PWM 工作模式,高效率、外圍簡單、內置功率管,適用于 5-80V 輸入的高精度降壓 LED 恒流驅動芯片。
SE8651 可實現兩功能切換,通過 MODE 切換兩種功能模式:全亮,半亮。
SE8651 頻率固定在 165Khz 左右,同時內置抖頻電路,可以降低對其他設備的 EMI 干擾。另外采用平均電流采樣模式,可以提高寬輸入電壓情況下的電流精度。
SE8651 帶有輸出短路保護功能,5V~80V 輸入條件下,短時短路不會損壞電源器件。
SE8651 還有過溫調節電流的功能。當芯片內部的溫度達到 140°C 左右時,會自動調低輸出電流。
特點:
· 寬輸入電壓范圍:5V~80V
· 可設定電流范圍:10mA~2500mA
· 固定工作頻率:165KHZ
· 內置抖頻電路,降低對其他設備的 EMI 干擾
· 0-100% 占空比控制,無電流節點跳變輸出短路保護
· 過溫保護
· 兩功能模式:全亮/半亮
· ESOP-8 封裝
應用:
· 電動車,摩托車燈照明
· 汽車燈照明
· 手電筒
4.5-100V 2.5A,內置MOS,頻率165Khz,全亮、半亮
SOP-8
LED照明、汽車照明

SE8651 4.5-100V 2.5A,內置MOS,頻率165Khz,全亮、半亮

SE8651 是一款 PWM 工作模式,高效率、外圍簡單、內置功率管,適用于 5-80V 輸入的高精度降壓 LED 恒流驅動芯片。
SE8651 可實現兩功能切換,通過 MODE 切換兩種功能模式:全亮,半亮。
SE8651 頻率固定在 165Khz 左右,同時內置抖頻電路,可以降低對其他設備的 EMI 干擾。另外采用平均電流采樣模式,可以提高寬輸入電壓情況下的電流精度。
SE8651 帶有輸出短路保護功能,5V~80V 輸入條件下,短時短路不會損壞電源器件。
SE8651 還有過溫調節電流的功能。當芯片內部的溫度達到 140°C 左右時,會自動調低輸出電流。
特點:
· 寬輸入電壓范圍:5V~80V
· 可設定電流范圍:10mA~2500mA
· 固定工作頻率:165KHZ
· 內置抖頻電路,降低對其他設備的 EMI 干擾
· 0-100% 占空比控制,無電流節點跳變輸出短路保護
· 過溫保護
· 兩功能模式:全亮/半亮
· ESOP-8 封裝
應用:
· 電動車,摩托車燈照明
· 汽車燈照明
· 手電筒
