
取消
清空記錄
歷史記錄
清空記錄
歷史記錄

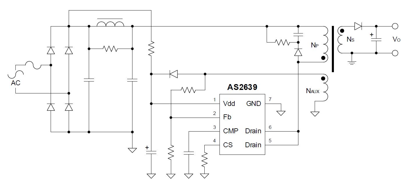
AS2639 高PF、低THD、離線CV控制器

AS2639 是一款具有高功率因數、低THD 和高恒壓精度的反激式控制器。通過原邊即可完成控制的單級輸出低成本控制系統。
獨特的高精度的 CV 系統設計方案,不需要二次側反饋組件和光耦以及 TL431,在恒定的實時控制方案下即可實現高功率因數。
準諧振(QR)模式和頻率箝位,大大提高了系統效率。采用先進的啟動技術,滿足啟動時間要求(<0.5s)。
AS2639 提供全面的保護,包括開環保護、短路保護、逐周期限流保護、內置前沿消隱、電壓鎖定Vdd(UVLO)等。
特點:
· 高PF(>0.9)、低THD(<10%)
· 高精度恒壓調節
· 快速啟動(<0.5秒)
· 原邊檢測和調節不需要TL431 和光耦
· 系統成本低,效率高
· 準諧振操作
· 內置功率開關管
· 短路保護
· 開環保護
· 逐周期限流
· 內嵌式前沿消隱(LEB)
· 帶有遲滯的電壓鎖定Vdd
· Vdd 過壓保護
· 過溫保護(OTP)
· 低音頻噪聲
· 采用 SOP-7 封裝
應用:
· AC-DC 適配器
· LED 照明電源
AS2639 內置MOS ,單級高PF恒壓, PF>0.95,THD<10%,功率做3-18W
SOP-8
LED電源、適配器

AS2639 高PF、低THD、離線CV控制器

AS2639 是一款具有高功率因數、低THD 和高恒壓精度的反激式控制器。通過原邊即可完成控制的單級輸出低成本控制系統。
獨特的高精度的 CV 系統設計方案,不需要二次側反饋組件和光耦以及 TL431,在恒定的實時控制方案下即可實現高功率因數。
準諧振(QR)模式和頻率箝位,大大提高了系統效率。采用先進的啟動技術,滿足啟動時間要求(<0.5s)。
AS2639 提供全面的保護,包括開環保護、短路保護、逐周期限流保護、內置前沿消隱、電壓鎖定Vdd(UVLO)等。
特點:
· 高PF(>0.9)、低THD(<10%)
· 高精度恒壓調節
· 快速啟動(<0.5秒)
· 原邊檢測和調節不需要TL431 和光耦
· 系統成本低,效率高
· 準諧振操作
· 內置功率開關管
· 短路保護
· 開環保護
· 逐周期限流
· 內嵌式前沿消隱(LEB)
· 帶有遲滯的電壓鎖定Vdd
· Vdd 過壓保護
· 過溫保護(OTP)
· 低音頻噪聲
· 采用 SOP-7 封裝
應用:
· AC-DC 適配器
· LED 照明電源
