
取消
清空記錄
歷史記錄
清空記錄
歷史記錄

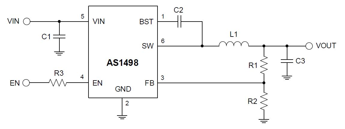
AS1498 4.5V 至28V 輸入,2A 同步降壓變換器

AS1498 是簡單易用的 2A 同步降壓轉換器,輸入電源電壓范圍為 4.5V 至 28V。
器件經過優化,最大限度地減少了運行所需的外部組件并且可以實現低待機電流。
這些開關模式電源器件采用 COT 模式控制,能夠提供快速瞬態響應,并且在無需外部補償組件的情況下支持諸如高分子聚合物等低等效串聯電阻 (ESR)輸出電容以及超低 ESR 陶瓷電容器。
AS1498 在脈沖跳躍模式下運行,從而能在輕載運行期間保持高效率。
特點:
· 輸入電壓范圍:4.5V 至 28V
· 輸出電壓范圍:0.6V 至 7V
· 轉換器集成了160mΩ 和 90mΩ 場效應晶體管
· 高效的同步架構
· 550KHz 開關頻率
· 持續電流:2A
· 具有快速瞬態響應的 COT 模式控制
· 脈沖跳躍模式
· 綜合的內部補償
· 特有的紋波處理
· Hiccup 式過流保護
· 非鎖存欠壓保護 (UVP) 和熱關斷 (TSD) 保護
· 固定軟啟動時間:0.8ms
· 符合 RoHS 標準
· 采用 SOT23-6 封裝
應用:
· 液晶電視
· 網絡家庭終端設備
· 數字機頂盒(STB)
· 監控設備
AS1498 28V 2A DC-DC同步降壓,輸入4.5-28V,內置MOS,
SOT23-6
LED電源、適配器

AS1498 4.5V 至28V 輸入,2A 同步降壓變換器

AS1498 是簡單易用的 2A 同步降壓轉換器,輸入電源電壓范圍為 4.5V 至 28V。
器件經過優化,最大限度地減少了運行所需的外部組件并且可以實現低待機電流。
這些開關模式電源器件采用 COT 模式控制,能夠提供快速瞬態響應,并且在無需外部補償組件的情況下支持諸如高分子聚合物等低等效串聯電阻 (ESR)輸出電容以及超低 ESR 陶瓷電容器。
AS1498 在脈沖跳躍模式下運行,從而能在輕載運行期間保持高效率。
特點:
· 輸入電壓范圍:4.5V 至 28V
· 輸出電壓范圍:0.6V 至 7V
· 轉換器集成了160mΩ 和 90mΩ 場效應晶體管
· 高效的同步架構
· 550KHz 開關頻率
· 持續電流:2A
· 具有快速瞬態響應的 COT 模式控制
· 脈沖跳躍模式
· 綜合的內部補償
· 特有的紋波處理
· Hiccup 式過流保護
· 非鎖存欠壓保護 (UVP) 和熱關斷 (TSD) 保護
· 固定軟啟動時間:0.8ms
· 符合 RoHS 標準
· 采用 SOT23-6 封裝
應用:
· 液晶電視
· 網絡家庭終端設備
· 數字機頂盒(STB)
· 監控設備
